SKF lineair lagereenheid LUJR
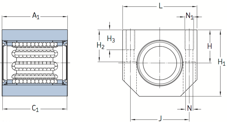
De SKF lineair lagereenheid LUJR bestaat uit een lagerhuis van hoogwaardig aluminium met daarin een LBBR lineaire kogellager. Deze kogellager is geproduceerd volgens ISO 10285 en daardoor uitwisselbaar binnen alle ISO-conforme merken. De LUJR is standaard uitgerust met speciale, extra grote, afdichtingen om zo ook onder stoffige omstandigheden optimaal te renderen. Met de aankoop van een montageklare LUJR lagereenheid koopt u een complete lager inclusief lagerhuis die direct in te passen is. Dit maakt de LUJR zeer geschikt indien u graag een gebruiksklare lager koopt. Deze lagereenheid is enkel bruikbaar bij assen voorzien van steunen aan de uiteinden van de as, bijvoorbeeld met de SKF asbok LSHS.
De LUJR is beschikbaar in de maten tussen de 12 en 50 mm. Mocht u twijfelen over de juiste maatvoering, dan kunt u tijdens werkdagen contact met ons opnemen op +31 (0)85 – 0661258.




| Standaard uitvoering (Fw) | Breedte (L) | Hartmaat (H) | Lengte (A1) | Dynamisch draagkracht | Statische draagkracht |
|---|---|---|---|---|---|
| LUJR 12 | 40 mm | 17 mm | 35 mm | 695 N | 510 N |
| LUJR 16 | 45 mm | 19 mm | 37 mm | 930 N | 630 N |
| LUJR 20 | 53 mm | 23 mm | 39 mm | 1160 N | 800 N |
| LUJR 25 | 62 mm | 27 mm | 49 mm | 2120 N | 1560 N |
| LUJR 30 | 67 mm | 30 mm | 59 mm | 3150 N | 2700 N |
| LUJR 40 | 87 mm | 39 mm | 71 mm | 5500 N | 4500 N |
| LUJR 50 | 103 mm | 47 mm | 81 mm | 6950 N | 6300 N |

