SKF lineair lagereenheid LUCS D
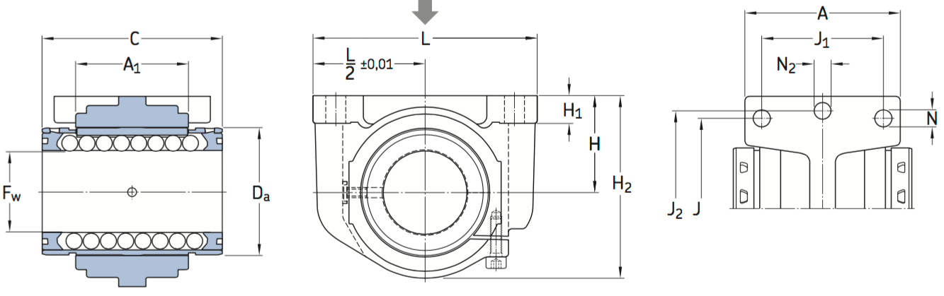
De SKF lineair lagereenheid LUCS D bestaat uit een lagerhuis van hoogwaardig aluminium met daarin een LBCR D lineaire kogellager. Deze kogellager is geproduceerd volgens ISO 10285 en is daardoor uitwisselbaar binnen alle ISO-confrome merken. Middels een schroef in het lagerhuis is het mogelijk om de voorspanning naar wens aan te passen. Met de aankoop van een montageklare LUCS D lagereenheid koopt u een complete lager inclusief lagerhuis die direct in te passen is. Dit maakt de LUCS D zeer geschikt, indien u graag een gebruiksklare lageroplossing koopt. Deze lagereenheid is niet bruikbaar bij assen voorzien van steunen aan de uiteinden van de as.
De LUCS D is leverbaar in de maten tussen de 8 en 80 mm. Per maat zijn er twee verschillende uitvoeringen beschikbaar, zodat u altijd een geschikte lagereenheid in handen krijgt. Indien u twijfelt welke uitvoering het meest geschikt is voor u, kunt u hieronder de verschillen lezen. Mocht u hierna nog steeds twijfelen dan kunt u op werkdagen contact met ons opnemen op +31 (0)85 – 0661258.
Welke SKF lineair lagereenheid LUCS D heb ik nodig:
SKF biedt een tweetal verschillende uitvoeringen van de lineaire lagereenheid LUCS D per lengtemaat aan. In eerste instantie is het dan ook van belang om een keuze te maken in de binnen diameter die voor u geschikt is. Een grotere diameter betekent uiteraard ook een grotere lagereenheid, maar hierdoor is deze wel bestand tegen een hogere radiale en axiale druk. Indien u een defecte of beschadigde lagereenheid wilt vervangen, raden wij u aan om te kijken naar de code die op de lagereenheid staat en eenzelfde nieuwe lagereenheid te bestellen.
Ten laatst is er nog de keuze tussen een lagereenheid met twee afdichtingen of zonder afdichtingen. Het voordeel van een tweezijdig afgedichte lagereenheid is, dat deze extra onderhoudsvriendelijk is in gebruik. Dit komt door het feit dat u zich geen zorgen meer hoeft te maken over de hoeveelheid of het soort vet dat moet worden gebruikt. Daarnaast is het ook niet meer nodig, dat u de lagereenheden voorziet van nieuw vet. Ook zijn de lagereenheden dankzij deze afdichting beschermt tegen stof, vuil en vocht. De keerzijde hiervan is, dat deze afdichtingen voor enige wrijving zorgen. Dit betekent dat er circa 30% van het vermogen verloren gaat en het is van belang om hiermee rekening te houden. (lagereenheden met twee afdichtingen hebben de code -2LS)
De twee verschillende SKF lineair lagereenheid LUCS D uitvoeringen kort uitgelegd:
- LUCS D: De standaard uitvoering van de krachtige SKF lineair lagereenheid LUCS D.
- LUCS D-2LS: Voorzien van een tweezijdige afdichting, waardoor deze kan worden gebruikt in een stoffige omgeving.




|
Standaard uitvoering (Fw)
|
Met 2 afdichtingen
|
Breedte (L)
|
Hartmaat (H)
|
Lengte (A)
|
Dynamisch draagkracht
|
Statische draagkracht
|
|---|---|---|---|---|---|---|
| LUCS 8 | LUCS 8-2LS | 45 mm | 15 mm | 27 mm | 490 N | 355 N |
| LUCS 12 D | LUCS 12 D-2LS | 52 mm | 18 mm | 31 mm | 1160 N | 980 N |
| LUCS 16 D | LUCS 16 D-2LS | 56 mm | 22 mm | 34,5 mm | 1500 N | 1290 N |
| LUCS 20 D | LUCS 20 D-2LS | 70 mm | 25 mm | 41 mm | 2240 N | 2040 N |
| LUCS 25 D | LUCS 25 D-2LS | 80 mm | 30 mm | 52 mm | 3350 N | 3350 N |
| LUCS 30 D | LUCS 30 D-2LS | 88 mm | 35 mm | 59 mm | 5600 N | 5700 N |
| LUCS 40 D | LUCS 40 D-2LS | 108 mm | 45 mm | 74 mm | 9000 N | 8150 N |
| LUCS 50 | LUCS 50-2LS | 135 mm | 50 mm | 66 mm | 13400 N | 12200 N |
| LUCS 60 | LUCS 60-2LS | 160 mm | 60 mm | 84 mm | 20400 N | 18000 N |
| LUCS 80 | LUCS 80-2LS | 205 mm | 80 mm | 113 mm | 37500 N | 32000 N |

